Micro Star™, 24V
Micro Star™, 24V
Housing: 316 Stainless Steel
Retail and bulk packaging available
These LED lights are the smallest self-contained LEDs on the market. They are ideal for accenting indoor or outdoor railing applications. The small size and easy installation allows for endless design possibilities. White, red, and yellow light colors are available.





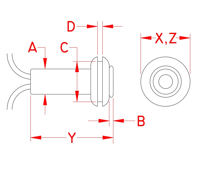
Specifications

ALL DIMENSIONS ARE NOMINAL (+/- 3%) AND ARE SUBJECT TO CHANGE WITHOUT NOTICE.
| ITEM | A | B | C | D | X | Y | Z | COLOR | WT (lb) |
|---|---|---|---|---|---|---|---|---|---|
| S0802-0000 | 0.25″ | 0.04″ | 0.38″ | 0.05″ | 0.50″ | 0.825″ | 0.50″ | White | 0.01 |
| S0802-000R | 0.25″ | 0.04″ | 0.38″ | 0.05″ | 0.50″ | 0.825″ | 0.50″ | Red | 0.01 |
| S0802-000Y | 0.25″ | 0.04″ | 0.38″ | 0.05″ | 0.50″ | 0.825″ | 0.50″ | Yellow | 0.01 |
























